EN
Поиск по сайту
Новости AKTAKOM(574)
Новости Anritsu(121)
Новости Fluke(134)
Новости Keithley(78)
Новости Keysight Technologies(666)
Новости Metrel(24)
Новости National Instruments(265)
Новости Pendulum(20)
Новости Rigol(96)
Новости Rohde & Schwarz(558)
Новости Tektronix(225)
Новости Texas Instruments(23)
Новости Yokogawa(132)
Новости Росстандарта(154)
АКТАКОМ
Anritsu
FLUKE
Keithley Instruments
Keysight Technologies
METREL
NI
RIGOL
Rohde & Schwarz
Spectracom
Tektronix
Texas Instruments
Yokogawa
Росстандарт
Авторизация
Логин:
Пароль:
Забыли свой пароль?
Зарегистрироваться
Информация
АКТАКОМ - Измерительные приборы, виртуальные приборы, паяльное оборудование, промышленная мебель

Токовая петля

Об Энциклопедии измерений
Поиск:  

Интерфейс «Токовая петля» («current loop») — это способ передачи информации с помощью определенных значений силы электрического тока (в отличие от большинства других интерфейсов, в которых значения определяются уровнем напряжения).

Следует разделять два вида реализации интерфейса: аналоговый и цифровой.

В аналоговом варианте токовой петли передача аналогового сигнала осуществляется по паре проводов. В датчиках исполнительных механизмов, АСУ ТП системах и т.д. кодирование информации реализуется в смещенном диапазоне токов 4…20 мА, т. е наименьшее значение сигнала (0) соответствует току 4 мА, а наибольшее значение — 20 мА. Весь диапазон допустимых значений — 16 мА. Нулевое значение тока в цепи означает обрыв линии. Ток более 20 мА — короткое замыкание линии.

В цифровом варианте, который был достаточно популярным до появления в начале 1980 годов интерфейса RS-485, используется два значения тока: 4 мА (логический 0) и 20 мА (логическая 1). Передача данных реализуется старт-стопным методом, аналогично интерфейсу RS-232.

Ранее этот интерфейс был стандартизован в РФ (СССР) как ИРПС в ОСТ 11 305.916-84, а за рубежом в стандартах IEC 62056-21 / DIN 66258.

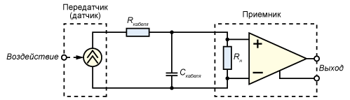
Обобщенная схема интерфейса «Токовая петля»
Обобщенная схема интерфейса

Преимущества интерфейса токовой петли:

  • точность не зависит от длины и сопротивления линии передачи, поскольку управляемый источник тока будет автоматически поддерживать требуемый ток в линии;
  • большая дальность (до нескольких километров);
  • возможность запитывать датчик непосредственно от линии передачи;
  • высокая помехоустойчивость (обычно используется экранированная витая пара);
  • простота реализации, отсутствие необходимости в согласовании линии;
  • возможность объединения нескольких датчиков в одном интерфейсе.

Все указанные достоинства позволили этому интерфейсу успешно использоваться в системах АСУ ТП. Недостатком интерфейса «токовая петля» является низкая скорость передачи, не превышающая (в зависимости от дальности), как правило, 9 кбит/с.

Кроме того, в стандартах не определено конструктивное исполнение разъемов.

Широкое использование данного вида интерфейса в промышленности породило целую группу измерительных приборов — мультиметров-калибраторов токовой петли, которые позволяют настаивать параметры токовой петли в цеховых условиях, после прокладки линии передачи данных.


Возврат к списку


Материалы по теме:

Поделиться:
Читайте бесплатно
№ 4 Декабрь 2021
КИПиС 2021 № 4
Тема номера:
Современная измерительная техника
События из истории измерений
20.10.1891
Родился английский физик, известный за открытие нейтрона и фотоядерной реакции, лауреат Нобелевской премии по физике 1935 года
Джеймс Чедвик
20.10.1902
День рождения разработчика МЭСМ
Лебедев Сергей Алексеевич
Конвертер единиц измерения
Мы используем файлы 'cookie', чтобы обеспечить максимальное удобство пользователям.